Schaltplan / Stromlaufplan für folgende SUZUKI GS Modelle 

Suzuki Schaltpläne 

Internationalen Länderkennungen der Schaltpläne

GS 400 / E / EN Black Suzi ab Baujahr 1977

GS 425 ab Baujahr 1977

GS 450 Baujahr 1979 bis 1983 (BRD)

GS450 Baujahr 1979 bis 1983 (Rest der Welt :-))

GS 500 E Baujahr 1979 bis 1983

GS 550  / GS 550B Baujahr 1977 (Kontakt gesteuerte Zündung)

GS550 X / TX Baujahr 1981 ( Kontaktlose Zündung)

GS 650GT / GS650G Katana ab Baujahr 1981

GS 750 / GS 750B  / GS 750DB ab Baujahr 1976

GS 850G Baujahr 1978 

GS 850 GN  Baujahr 1979 / US 

GS 850 GT/ GLT Baujahr 1979 / US

GS 1000 Baujahr 1980

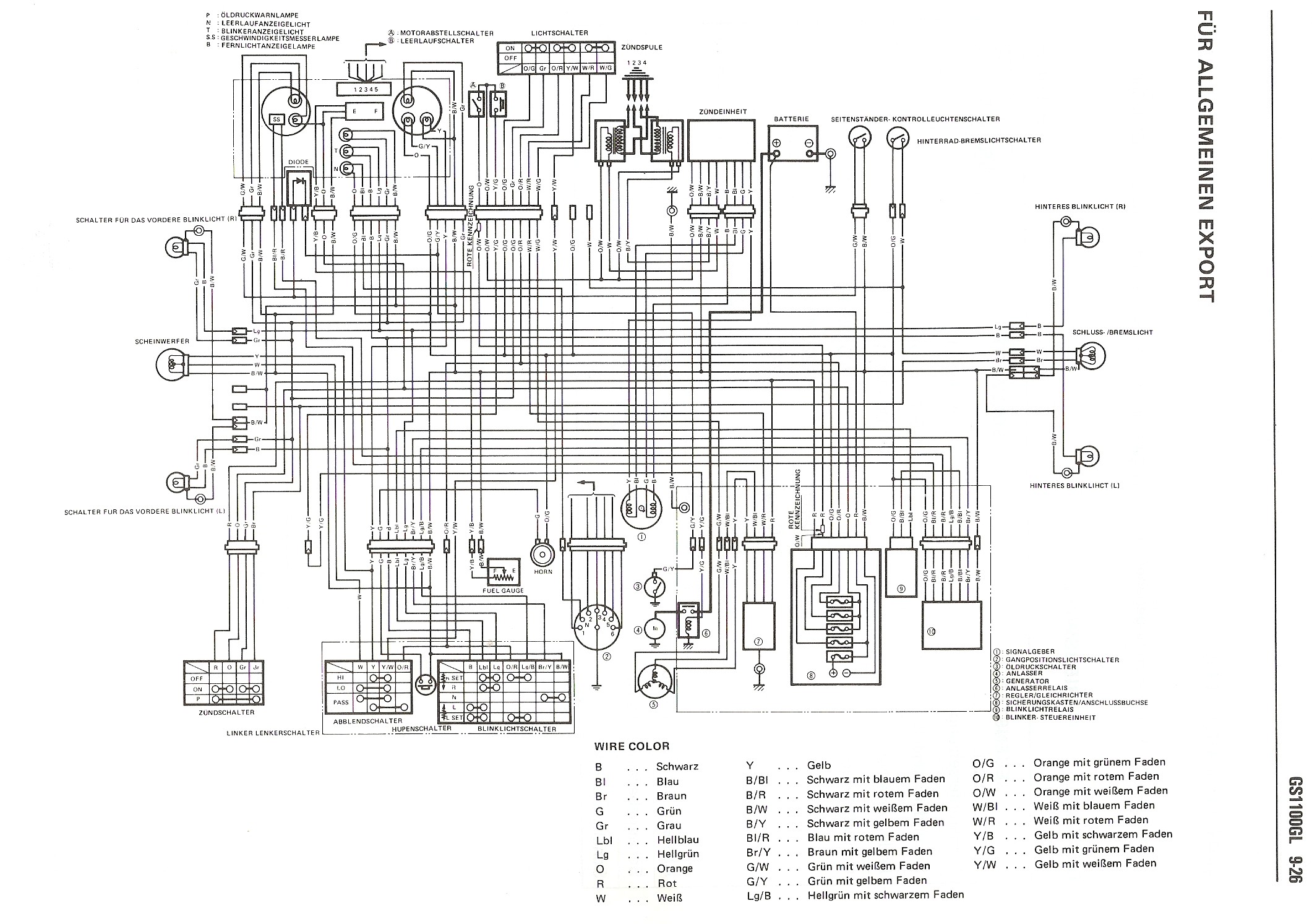
GS1100G ab Baujahr 1982

E1 - Germany
E2 - France
E3 - Italy
E4 - Netherlands
E5 - Sweden
E6 - Belgium
E7 - Hungary
E8 - Czech Republic
E9 - Spain
E10 - Yugoslavia
E11 - United Kingdom
E12 - Austria
E13 - Luxembourg
E14 - Switzerland
E16 - Norway
E17 - Finland
E18 - Denmark
E19 - Romania
E20 - Poland
E21 - Portugal
E22 - Russian Federation
E23 - Greece
E24 - Ireland
E25 - Croatia
E26 - Slovenia
E27 - Slovakia
E28 - Belarus
E29 - Estonia
E31 - Bosnia and Herzegovina
E32 - Latvia
E34 - Bulgaria
E37 - Turkey
E40 - The former Yugoslav Republic of Macedonia
E42 - European Community
E43 - Japan